Gångjärn Juna G/G för bastu, 180°, blankförkromad, 1 par

Juna® glas-glas 180° svängdörr gångjärn har en max dörrvikt per par på 32 kg. Dörrar upp till 0,8 x 2 m med 8 mm glas kan realiseras.

För användning i bastuområdet
Exakt och tät passning av täcklocken
Högkvalitativ design med minimala springor och dolda skruvar
Effektiv montering med endast ett verktyg
Perfekt justering av nollpositionen tack vare innovativ klämteknik
Glastjocklek 6-10mm

Du måste vara inloggad för att kunna ladda ned dokument. Logga in här.

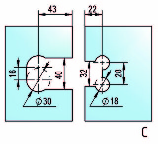
Ritning och glasurtag dwg
Ritning och glasurtag pdf
Monteringsanvisning
Produktvideo
Skötsel och underhåll